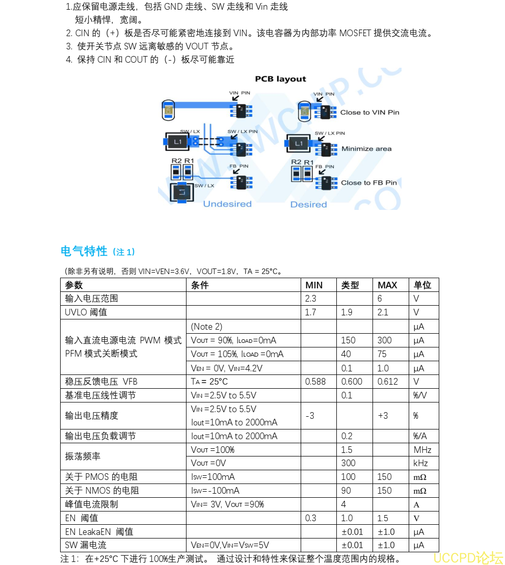
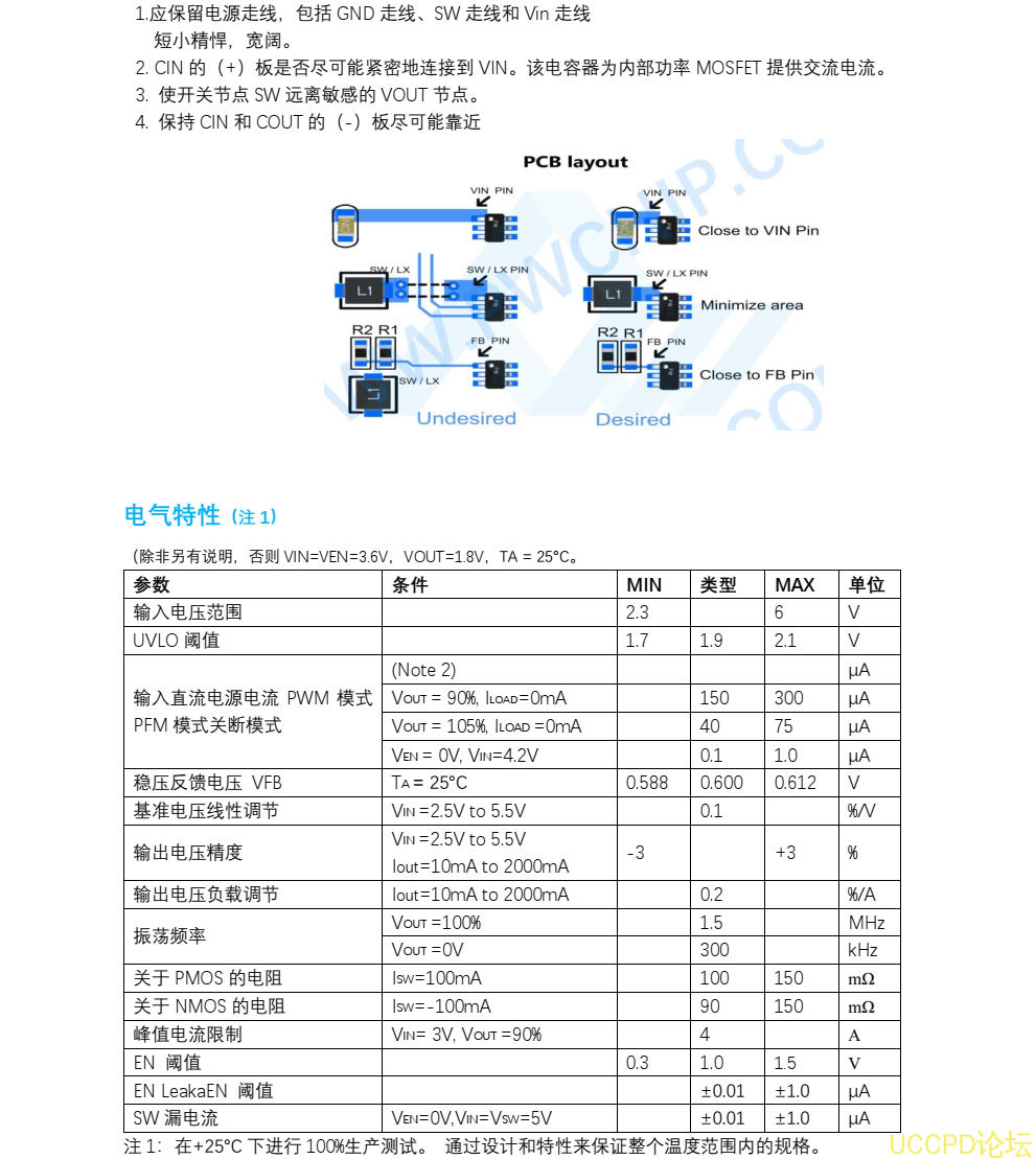
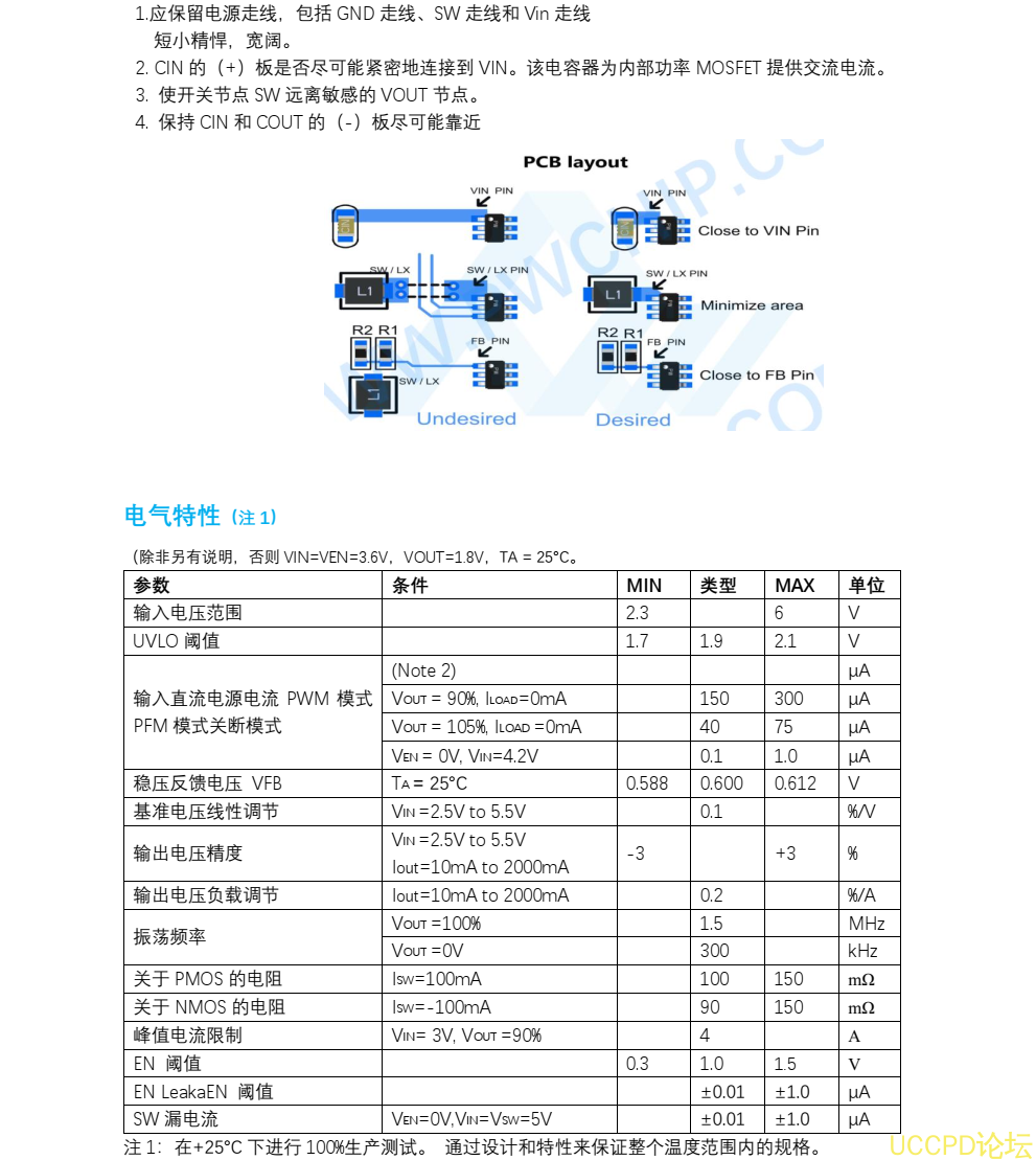
平芯微PW2052B中文規格書
- 2024-04-16 15:33:00
- 技術管理員 原創
- 814
(百度翻譯)
發錶評論






