登錄
註冊
简
繁
深圳市誇剋微科技有限公司
首頁
留言
當前位置:
首頁
芯片
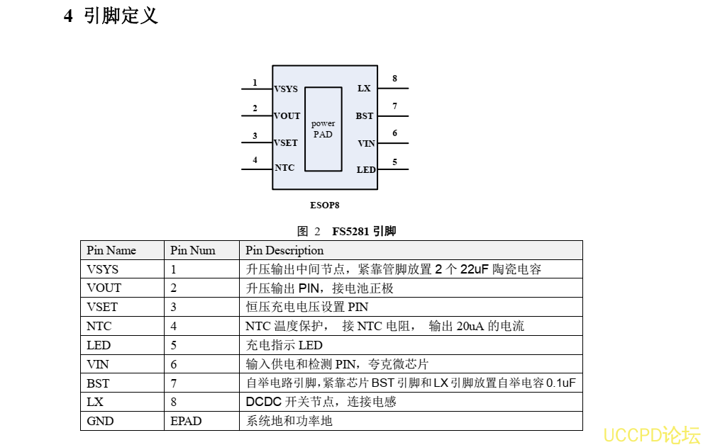
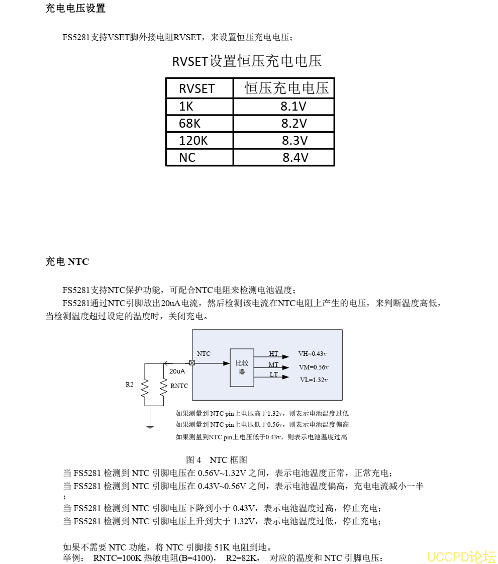
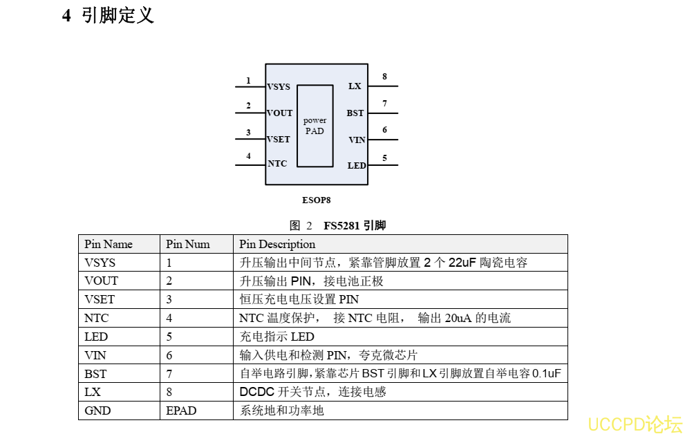
誇剋微FS5281陞壓充電IC,低價高效!
誇剋微FS5281陞壓充電IC,低價高效!
2024-04-27 16:21:00
技術管理員
原創
1078
摘要
:誇剋微FS5281陞壓充電IC,低價高效!
發錶評論
稱呼
郵箱
接收郵件提醒
內容
評論通過審核後顯示。
移動訪問