登錄
註冊
简
繁
深圳市誇剋微科技有限公司
首頁
留言
當前位置:
首頁
芯片
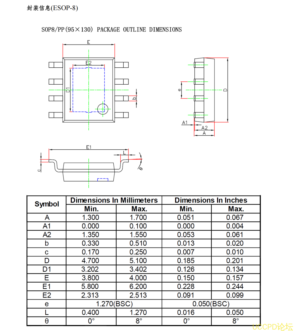
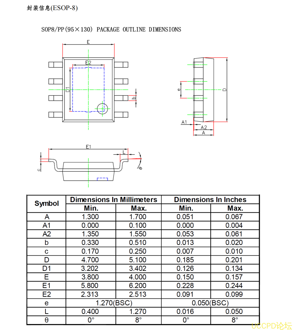
誇剋微FS5280A,充電神器,價格親民,性能卓越!
誇剋微FS5280A,充電神器,價格親民,性能卓越!
2024-04-28 10:11:00
技術管理員
原創
1116
摘要
:誇剋微FS5280A,充電神器,價格親民,性能卓越!
發錶評論
稱呼
郵箱
接收郵件提醒
內容
評論通過審核後顯示。
移動訪問