深圳市夸克微科技有限公司
×
登录
注册
简体
繁體
首页
论坛
留言
版块浏览
最新主题
置顶主题
XPM5218 pdf,集成车充电路的PD控制器IC
XPM5218 是一款集成开关管的同步降压转换器, 支持 USB Type-C 和 PD 等多种快速充电协议,为车载充电器、各种快充适配器、智能排插等供电设备提供完整的解决方案。XPM5218 支持多种快速充电协议,包括 USB Type-C 和 PD 协议,高通 QC2.0/3.0,华为 FCP/SCP,三星 AFC, USB BC1.2 DCP 以及 Apple 2.4A 充电规范。
0 2019-10-30
XPD636 pdf,多口快充控制器
XPD636 是一款集成 USB Type-C、 USB Power Delivery(PD) 3.0、 QC3.0/2.0 CLASS A快充协议、华为 FCP/SCP 快充协议、三星 AFC 快充协议、 BC1.2 DCP 以及苹果设备 2.4A充电规范的多功能 USB 端口控制器, 为 AC-DC 适配器、 移动电源、车载充电器等设备提供完整的 A+C 端口充电解决方案
0 2019-10-30
XPD618单C口PD控制协议IC 规格书PDF下载
XPD618A/B 是一款集成 USB Type-C、 USB Power Delivery(PD) 3.0、 QC3.0/2.0 CLASSA 快充协议、华为 FCP/SCP 快充协议、三星 AFC 快充协议、 BC1.2 DCP 以及苹果设备 2.4A充电规范的多功能 USB 端口控制器, 为 AC-DC 适配器、 移动电源、车载充电器等设备提供完整的 USB Type-C 端口充电解决方案。
0 2019-10-30
XPD518规格书,XPD545 PDF下载
XPD518/XPD545 是一款集成 USB Type-C、 USB Power Delivery(PD) 3.0、 QC3.0/2.0CLASS A 快充协议、华为 FCP/SCP 快充协议、 MTK PE+快充协议、三星 AFC 快充协议、 BC1.2DCP 以及苹果设备 2.4A 充电规范的多功能 USB 端口控制器, 为 AC-DC 适配器、移动电源、车载充电器等设备提供完整的 USB Type-C 端口充电解决方案。
0 2019-10-30
单USB TYPE C PD3.0 PPS快充协议芯片-IP2188 pdf资料
单USB TYPE C PD3.0 PPS快充协议芯片-IP2188 pdf
0 2019-10-24
已过认证的QC4.0,QC4.0快充协议芯片-IP2726 PDF规格书
已过认证的QC4.0,QC4.0快充协议芯片-IP2726 PDF
0 2019-10-24
苹果手机的15V PD快充充电是什么回事?
上一篇我们讲到了苹果的PD快充9V2A篇:PD快充充电协议-苹果9V2A快充篇 。 在早期苹果的第一款支持PD快充的手机:iphone8系列 将近发布时,苹果就已经有了一款 USB C适配器29W。 正确来说是:苹果14.5V 快充,因为接近15V,所以常规叫法15V快充 如果你现在去苹果官网找的话,是找不到了,只能找到30W 的USB C适配器。外形两款是一模一样的。 为什么要说这款29W的 USB C适配器呢,因为这款适配器的输出电压是特制的,不同于常规的适配器。所以后面苹果也是升级成了标准的30W适配器 这款29W USB C适配器的输出电压是: 5V2.4A 和 14.5V 2A, 两种输出电压功率模式 使用这款29W的 USB C适配器充电,可为IPHONE 8系列,IPHONE X系列,IPHONE11系列,启动快充14.5V 2A模式,比我们常规的9V2A,电压更高。下图是我们使用IPHONE X进行充电的结果:14.7V 1.3A. 我们还连接了USB PD分析仪,企图能看下苹果的14.5V快充是如何通讯协议的,及其通讯的过程。结果如下: 显示为 APPLE 公司私有协议。
0 2019-10-23
QC3.0,QC2.0的手机又哪些?QC3.0,QC2.0芯片有哪些?
支持QC3.0快速充电协议的手机: 附件可下载:QC3.0,QC2.0手机,产品和芯片 • 360 N7• Asus ZenFone 3 Deluxe• Baofeng Matrix (VR)• Black Shark• Black Shark Helo• BlackBerry Evolve• BlackBerry KEYone• BlackBerry KEY2• BlackBerry KEY2 LE• BQ Aquaris U2• BQ Aquaris U2 lite• BQ Aquaris V• BQ Aquaris V Plus• BQ Aquarius X• BQ Aquarius X Pro• Coolpad Cool Changer S1• DJI FPV goggles (VR)• General Mobile GM5+• GeniusIDEA Follow (drone)• Gionee M2017• Gionee M6S Plus• Haier Leisure L7• HP Elite x3• HTC 10• HTC One A9• HTC U Ultra• HTC U11• HTC U11 life• HTC U11 Plus• HTC U12+• LeEco Le MAX 2• LeEco (LeTV) Le MAX Pro• LeEco Le Pro 3• Lenovo ZUK Z2 Pro• LG G5• LG G6• LG G7 Fit• LG G7 One• LG isai Beat LGV34• LG Q9• LG V20• LG V30• Meitu T9• Nokia 6 (2018)• Nokia 7 (2018)• Nokia 8• Nokia 9• NuAns NEO• Nubia X• Nubia Z11• Nubia Z11 Max• Nubia Z11miniS• Philips EverPlay (portable speaker)• Qiku N45• Qiku N5S• Qiku N6• Qiku N6 Pro• Qiku Q5• Qiku Q5 Plus• Redmi Note 5• RugGear RG760• RugGear RG850• Sharp Aquos R• Sharp Aquos R Compact• Sharp Aquos Zero• Smartisan M1• Smartisan M1L• Smartisan Nuts Pro• Smartisan Nuts Pro 2• Smartisan Pro 2S• Smartisan U1 Pro• Sony Xperia XZ• Sony Xperia XZ Premium• Sony Xperia XZ1• Sony Xperia XZ1 Compact• Sony Xperia XZ2• Sugar F7• TCL Idol 4-Pro• TCL Idol4S• Vestel Venus Z10 • Vodafone Smart platinum 7• Wileyfox Swif 2• Wileyfox Swif 2 Plus• Wileyfox Swif 2 X• Xiaomi 6X• Xiaomi Mi 5• Xiaomi Mi 5s• Xiaomi Mi 5s Plus• Xiaomi Mi 6 • Xiaomi Mi 8 Lite• Xiaomi Mi 8 SE• Xiaomi Mi Max• Xiaomi Mi Max 2• Xiaomi Mi Max 3• Xiaomi Mi MIX 2S• Xiaomi Mi Note 2• Xiaomi Mi Note 3• Xiaomi MIX• Xiaomi MIX2• ZTE Axon 7 Max• ZTE Axon M• ZTE Blade Z Max 支持QC2.0快速充电的手机• Alcatel Idol 4• Alcatel Idol 4S• Asus Transformer T100• Asus Zenfone 2• Asus ZenFone 3• Asus ZenFone 3 Ultra• BlackBerry Priv• Disney Mobile on docomo• Droid Turbo by Motorola• Eben 8848• EE 4GEE WiFi (MiFi)• Fujitsu Arrows• Fujitsu Arrows NX• Fujitsu F-02G• Fujitsu F-03G• Fujitsu F-05F• Google Nexus 6• HTC Bolt• HTC Butterfly 2• HTC Desire Eye• HTC One (M8)• HTC One (M9)• KDDI KD08 (MiFi)• Kyocera DuraForce PRO• Kyocera Urbano L03• LeTV One Max• LeTV One Pro• LG G2 Flex 2• LG G4• LG V10• Moto G Turbo Edition• Moto X Force• Moto X Pure Edition• Moto X Style• New Moto X by Motorola• Nextbit Robin• Panasonic CM-1• Ramos Mos1• Samsung Galaxy A8 (KDDI Japan)• Samsung Galaxy Note 4• Samsung Galaxy Note 5• Samsung Galaxy Note Edge• Samsung Galaxy Note 9• Samsung Galaxy S5 (Japan)• Samsung Galaxy S6• Samsung Galaxy S6 +• Samsung Galaxy S6 Edge• Samsung Galaxy S7• Samsung Galaxy S7 Edge• Samsung Galaxy S8• Samsung Galaxy S8+• Samsung Galaxy S9• Samsung Galaxy S9+• Samsung Galaxy S10• Samsung Galaxy S10+• Samsung Galaxy S10e• Sarin Labs SOLARIN Fire• Sharp Aquos Pad• Sharp Aquos Zeta• Sharp Aquos Zeta Compact• Sharp SH01G/02G• Smartron SRT• Sony Xperia X• Sony Xperia X Performance• Sony Xperia Z2 (Japan)• Sony Xperia Z2 Tablet• Sony Xperia Z3• Sony Xperia Z3 Compact• Sony Xperia Z3 Tablet• Sony Xperia Z3+• Sony Xperia Z4• Sony Xperia Z4 Tablet• Sony Xperia Z5• Sony Xperia Z5 Compact• Sony Xperia Z5 Premium• Unif Cloud Key Gen2• Unif Cloud Key Gen2 Plus• Vertu Signature Touch • Vestel Venus V3 5070• Vestel Venus V3 5570• Vivo V3• Vivo V3 Max• Xiaomi Mi 3• Xiaomi Mi 4• Xiaomi Mi 4c• Xiaomi Mi Note• Xiaomi Mi Note Pro• Yota Phone 2• ZeroTech Dobby (drone)• ZTE AXON Max• ZTE Axon Pro• ZTE Nubia My Prague• ZTE Z9 、
0 2019-10-21
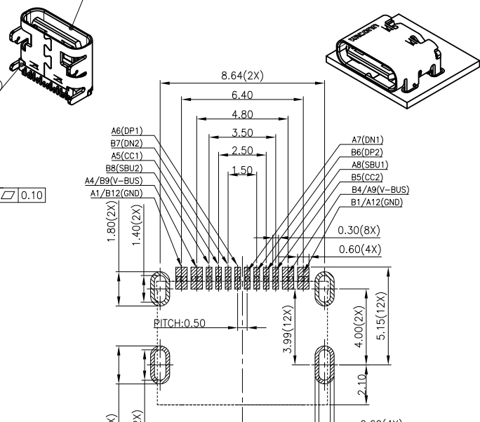
USB TYPE C母座规格书,16脚
0 2019-10-21
usb TYPE C沉板母座16脚设计规格书
0 2019-10-21
最新帖子
[]
XPM5218 pdf,集成车充电路的PD控制器IC
2019-10-30
[]
XPD636 pdf,多口快充控制器
2019-10-30
[]
XPD618单C口PD控制协议IC 规格书PDF下载
2019-10-30
[]
XPD518规格书,XPD545 PDF下载
2019-10-30
[]
单USB TYPE C PD3.0 PPS快充协议芯片-IP2188 pdf资料
2019-10-24
[]
已过认证的QC4.0,QC4.0快充协议芯片-IP2726 PDF规格书
2019-10-24
[]
苹果手机的15V PD快充充电是什么回事?
2019-10-23
[]
QC3.0,QC2.0的手机又哪些?QC3.0,QC2.0芯片有哪些?
2019-10-21
[]
USB TYPE C母座规格书,16脚
2019-10-21
[]
usb TYPE C沉板母座16脚设计规格书
2019-10-21
© 深圳市夸克微科技有限公司
SQL查询:
12
次内存占用:
7.50MB
PHP 执行时间:
0.07
秒
粤ICP备20065032号-3
蝉知
7.7