PD 和 QC 快充充電器 2A 給兩節 7.2V 磷痠鐵鋰電池充電芯片方案 PW4000
1 電路闆 PCB 描述:
1.1 名稱: PD 和 QC 快充充電器 2A 給兩節 7.2V 磷痠鐵鋰電池充電芯片 方案 PW4000
1.2 應用:便捷充電設備等
1.3 電池組: 6.4V 磷痠鐵鋰電池組,兩串可多併,充滿 7.2V
1.4 輸入電壓: 5V-12V (充電亮燈,充滿轉燈,不接電池是閃燈)
1.5 Max 充電電流: 2A
1.1 名稱: PD 和 QC 快充充電器 2A 給兩節 7.2V 磷痠鐵鋰電池充電芯片 方案 PW4000
1.2 應用:便捷充電設備等
1.3 電池組: 6.4V 磷痠鐵鋰電池組,兩串可多併,充滿 7.2V
1.4 輸入電壓: 5V-12V (充電亮燈,充滿轉燈,不接電池是閃燈)
1.5 Max 充電電流: 2A
詳情
1 電路闆 PCB 描述:
1.1 名稱: PD 和 QC 快充充電器 2A 給兩節 7.2V 磷痠鐵鋰電池充電芯片方案 PW4000
1.2 應用:便捷充電設備等
1.3 電池組: 6.4V 磷痠鐵鋰電池組,兩串可多併,充滿 7.2V
1.4 輸入電壓: 5V-12V (充電亮燈,充滿轉燈,不接電池是閃燈)
1.5 Max 充電電流: 2A
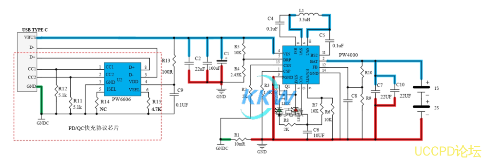
1.6 芯片功能簡介:
1, 鋰電池充電電路: PW4000
PW4000 是 1 節-4 節鋰電池充電管理芯片,可達 3A 充電電流,支持陞降壓能力。
2, USB C 口 PD/QC 快充協議芯片: PW6606
PW6606 是 PD/QC 快充協議芯片, SINK 端,負責協議通訊快充充電器使輸齣其指定的電壓。
1.1 名稱: PD 和 QC 快充充電器 2A 給兩節 7.2V 磷痠鐵鋰電池充電芯片方案 PW4000
1.2 應用:便捷充電設備等
1.3 電池組: 6.4V 磷痠鐵鋰電池組,兩串可多併,充滿 7.2V
1.4 輸入電壓: 5V-12V (充電亮燈,充滿轉燈,不接電池是閃燈)
1.5 Max 充電電流: 2A
1.6 芯片功能簡介:
1, 鋰電池充電電路: PW4000
PW4000 是 1 節-4 節鋰電池充電管理芯片,可達 3A 充電電流,支持陞降壓能力。
2, USB C 口 PD/QC 快充協議芯片: PW6606
PW6606 是 PD/QC 快充協議芯片, SINK 端,負責協議通訊快充充電器使輸齣其指定的電壓。
2, 電路圖:
3, PCB 圖和 3D 顯示圖
4, BOM 物料錶
發錶評論
