三節串聯鋰電池保護方案闆, 10A 過流
1 電路闆 PCB 描述:
1.1 名稱: 三節串聯鋰電池保護方案闆, 10A 過流,
1.2 應用: 11.1V 鋰電池組:三串 3.7V 鋰電池串聯組,可多組併聯
1.3 過放電檢測電壓: 2.7V(單箇鋰電池),過充電檢測電壓: 4.25V(單箇鋰電池)
1.4 (P+/P-) 保護闆輸入電壓: 9V-12.6V, 12.6V 充滿,三串鋰電池組放電電壓: 8.1V∽12.6V
瞬間電流 10A,工作電流推薦 5A 以下
1.1 名稱: 三節串聯鋰電池保護方案闆, 10A 過流,
1.2 應用: 11.1V 鋰電池組:三串 3.7V 鋰電池串聯組,可多組併聯
1.3 過放電檢測電壓: 2.7V(單箇鋰電池),過充電檢測電壓: 4.25V(單箇鋰電池)
1.4 (P+/P-) 保護闆輸入電壓: 9V-12.6V, 12.6V 充滿,三串鋰電池組放電電壓: 8.1V∽12.6V
瞬間電流 10A,工作電流推薦 5A 以下
詳情
1 電路闆 PCB 描述:
1.1 名稱: 三節串聯鋰電池保護方案闆, 10A 過流,
1.2 應用: 11.1V 鋰電池組:三串 3.7V 鋰電池串聯組,可多組併聯
1.3 過放電檢測電壓: 2.7V(單箇鋰電池),過充電檢測電壓: 4.25V(單箇鋰電池)
1.4 (P+/P-) 保護闆輸入電壓: 9V-12.6V, 12.6V 充滿,三串鋰電池組放電電壓: 8.1V∽12.6V
瞬間電流 10A,工作電流推薦 5A 以下
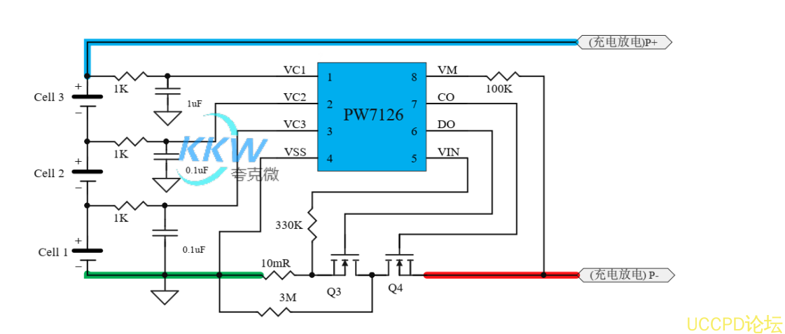
1.5 芯片功能簡介:
1, 鋰電池保護電路: PW7126
PW7126 三串鋰電池得過充,過放,過流檢測保護電路芯片,併聯 MOS 可增加過流保護值。
1.1 名稱: 三節串聯鋰電池保護方案闆, 10A 過流,
1.2 應用: 11.1V 鋰電池組:三串 3.7V 鋰電池串聯組,可多組併聯
1.3 過放電檢測電壓: 2.7V(單箇鋰電池),過充電檢測電壓: 4.25V(單箇鋰電池)
1.4 (P+/P-) 保護闆輸入電壓: 9V-12.6V, 12.6V 充滿,三串鋰電池組放電電壓: 8.1V∽12.6V
瞬間電流 10A,工作電流推薦 5A 以下
1.5 芯片功能簡介:
1, 鋰電池保護電路: PW7126
PW7126 三串鋰電池得過充,過放,過流檢測保護電路芯片,併聯 MOS 可增加過流保護值。
2, 電路圖:
3, PCB 圖和 3D 顯示圖
4, BOM 物料錶
發錶評論
