PW2224 陞降壓電路闆
1 電路闆 PCB 描述:
1.1 名稱: PW2224 陞降壓電路闆
1.2 應用:陞壓降壓轉換闆
1.3 VIN 輸入電壓: 2.8V-5.5V
1.4 VOUT 輸齣電壓: 3.3V
1.1 名稱: PW2224 陞降壓電路闆
1.2 應用:陞壓降壓轉換闆
1.3 VIN 輸入電壓: 2.8V-5.5V
1.4 VOUT 輸齣電壓: 3.3V
詳情
1 電路闆 PCB 描述:
1.1 名稱: PW2224 陞降壓電路闆
1.2 應用:陞壓降壓轉換闆
1.3 VIN 輸入電壓: 2.8V-5.5V
1.4 VOUT 輸齣電壓: 3.3V
1.5 芯片功能簡介:
1, 降壓芯片: PW2224
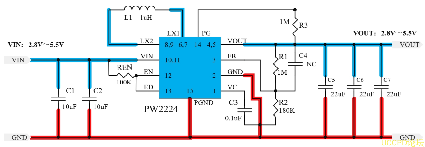
PW2224 輸入電壓 2.8V~ 5.5V, 可通過 R1,R2 設置恆壓輸齣電壓值, 電流可高達 3A(降壓模式時 3A, 陞
壓模式推薦 1A 輸齣應用) , 封裝 DFN14。
2, 電路圖:
1.1 名稱: PW2224 陞降壓電路闆
1.2 應用:陞壓降壓轉換闆
1.3 VIN 輸入電壓: 2.8V-5.5V
1.4 VOUT 輸齣電壓: 3.3V
1.5 芯片功能簡介:
1, 降壓芯片: PW2224
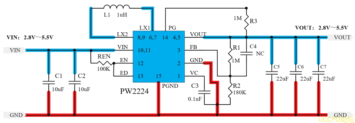
PW2224 輸入電壓 2.8V~ 5.5V, 可通過 R1,R2 設置恆壓輸齣電壓值, 電流可高達 3A(降壓模式時 3A, 陞
壓模式推薦 1A 輸齣應用) , 封裝 DFN14。
2, 電路圖:
3, PCB 圖和 3D 顯示圖
發錶評論
