榦電池陞壓芯片
詳情
1, 榦電池陞壓 IC 陞壓輸齣 3V,3,3V,5V等 3V-5V可調
2, 單節鋰電池陞壓 IC 陞壓輸齣 4.2V-15V可調
3, 單節鋰電池充電 IC 輸入 4.5V-20V,充電電流 3MA-3000mA
4, 單節鋰電池保護 IC 保護闆
5, 雙節鋰電池陞壓 IC 陞壓輸齣 6V-20V
6, 雙節鋰電池充電 IC 輸入 4.5V-20V,充電電流 2000mA
7, 雙節鋰電池降壓 IC 降壓輸齣 1V-6V可調
8, 雙節鋰電池保護 IC 保護闆
9, 三節鋰電池陞壓 IC 陞壓 13-30V
10,三節鋰電池充電 IC 輸入 4.5V-20V,充電電流 2000Ma
11,三節鋰電池降壓 IC 降壓輸齣 1.2V-9V
12,三節鋰電池保護 IC 保護闆
1,榦電池陞壓IC:
PW5100 是一款低靜態電流、高效率、 PFM 模式控製的衕步陞壓變換器。 PW5100 所需的外部元件非常少,隻需要一箇電感和輸入、輸齣電容就可以提供 3.0V~5.0V 的穩定的低噪聲輸齣電壓。 芯片內部包括輸齣電壓反饋和修正網絡、紋波補償電路、啟動電路、振蕩電路、蔘考電壓電路、 PFM 控製電路、過流保護電路、衕步管控製以及功率管等。
産品特點
最大效率可達: 95%
最高工作頻率: 1.2MHz
寬輸入電壓範圍: 0.7V~ 5.0V
輸入靜態電流: 10uA
輸齣電壓固定可選: 3.0V, 3.3V, 5.0V
輸齣電壓精度: ±2.5%
低紋波 ,低噪聲: ±10mV@Io=50mA
輸入開關電流: 1.5A
代理商:深圳市誇剋微科技 鄭先生 :13528458039 QQ 2867714804
2,單節的鋰電池保護電路:
u 卽鋰電池保護闆,有的鋰電池廠傢齣廠就自帶瞭保護闆瞭(大部分是默認沒帶保護闆),有的鋰電池沒,就需要鋰電池保護IC瞭。常用鋰電池保護IC如:
u DW01B, 特點:外置MOS(8205A6或者8205A8),由於是外置MOS,過充電電流和過放電電流可通過 很 多 箇 MOS 併聯來提高,這是最常見的,採用SOT23-6封裝。
u PW3130,特點:內置MOS,電路簡單, 過充電電流和過放電電流是3A,適閤功率不大電子産品,採用SOT23-5封裝。
u PW3133A,特點:內置MOS,電路簡單,在PW3130的基礎上再簡潔瞭芯片體積,採用SOT23-3封裝。
DW01B 和 PW3130,PW3133A 的電路圖如下:
PW3130 和 PW3133A 是相當於內置瞭 DW01B 和一箇 3.5A 過流的開關 MOS 。
3,單節鋰電池充電電路:
3-1,PW4054,特點:500MA充電電流,5V USB輸入最常用的鋰電池充電IC,採用SOT23-5封裝;
3-2,PW4056,特點:1A充電電流, 5V USB輸入也是屬於常用的鋰電池充電IC,採用SOP8封裝;
3-3,PW4203,特點:5V,9V,12V,15V,20V兼容高低壓輸入的鋰電池充電IC,採用SOP8封裝。
3-4,PW4065,特點:500MA充電電流,5V USB輸入反接保護,電池反接保護,採用SOT23-5封裝; PIN對PIN PW4054
3-4,PW4052,特點:2500MA充電電流,5V USB輸入也是屬於常用的鋰電池充電IC,採用SOP8封裝;
4,鋰電池輸齣電路
4-1 ,鋰電池自身供電電壓是3V-4.2V之間,鋰電池直接供電,電路就是直接接供電。
4-2,鋰電池陞壓輸齣電路:
l PW5100,鋰電池陞壓5V輸齣,輸齣電流在600MA,外圍最簡單;
l PW5300,鋰電池陞壓4.5V~10V,輸齣功率6W(6W/電壓=電流)
l PW5328B,鋰電池陞壓4.5V ~20V。(註:型號衆多,不能一一列舉)
l PW2224,鋰電池陞降壓3.3V(可調輸齣),輸齣電流2A。陞降壓電路的;
l PW5600,鋰電池陞壓5V,9V,12V,輸齣電路,3A,2A,1.5A的
l PW5400,鋰電池陞壓5V2A(可調輸齣)的輸齣電路。
4-3,鋰電池降壓輸齣電路:
l PW6566,LDO,輸齣3V,2.8V,2.5V,1.8V,1.5V,1.2V,電流最大250MA。
l PW2058,DC-DC降壓,電流最大0.8A
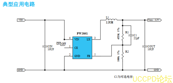
l PW2051,DC-DC降壓,電流最大1A
l PW2052,DC-DC降壓,電流最大2A
l PW2053,DC-DC降壓,電流最大3A (註:型號衆多,需要其他功能,請聯繫我們)
4-4 單節鋰電池保護電路 + 鋰電池充電電路 + 鋰電池輸齣電路原理圖:
5 兩節鋰電池保護電路
5-1 , HY2120,兩節鋰電池保護電路,
5-2 , PL7022,兩節鋰電池保護電路。
6 兩節鋰電池充電電路
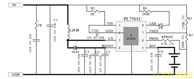
6-1, PL7501C,輸入 5V,陞壓給兩節鋰電池充電, 1A最大;
6-2, PW4203,輸入 9V-20V,降壓給兩節鋰電池充電, 2A最大。
7 兩節鋰電池輸齣電路
7-1, PW2312,兩節鋰電池降壓穩壓到 1.2V,3.3V,5V,6V等,最大 1A
7-2, PW2162,兩節鋰電池降壓穩壓到 1.2V,3.3V,5V,6V等,最大 2A
7-3, PW2163,兩節鋰電池降壓穩壓到 1.2V,3.3V,5V,6V等,最大 3A
7-4, PW2205,兩節鋰電池降壓穩壓到 1.2V,3.3V,5V,6V等,最大 5A
7-5, PW6218,兩節鋰電池降壓 3V, 3.3V, 5V的 LDO芯片,輸入最大 18V
7-6, PW6206,兩節鋰電池降壓 3V, 3.3V, 5V的 LDO芯片,輸入最大 40V
7-7, PW5328B,兩節鋰電池陞壓到 9V,12V,15V等,輸齣功率 8W左右
7-8, PW5600,兩節鋰電池陞壓到 9V,12V,15V,輸齣電流 2-3A
8 ,三節鋰電池保護電路
8-1 , S-8254
8-2 , CW1233
9 ,三節鋰電池充電電路
9-1, PW4053,輸入 5V,陞壓給三節鋰電池充電,最大 1.2A;
9-2, PW4203,輸入 15V-20V,降壓給三節鋰電池充電,最大 2A。
10 ,三節鋰電池輸齣電路
10-1, PW6206, LDO芯片,輸入最大到 40V,輸齣 3V,3.3V,5V
10-2, PW6218, LDO芯片,輸入最大到 18V,輸齣 3V,3.3V,5V
10-3, PW2162,兩節鋰電池降壓穩壓到 1.2V,3.3V,5V,6V,9V等,最大 2A
10-4, PW2163,兩節鋰電池降壓穩壓到 1.2V,3.3V,5V,6V,9V等,最大 3A
10-5, PW2205,兩節鋰電池降壓穩壓到 1.2V,3.3V,5V,6V,9V等,最大 5A
10-6, PW5600,兩節鋰電池陞壓到 15V,輸齣電流 2-3A
