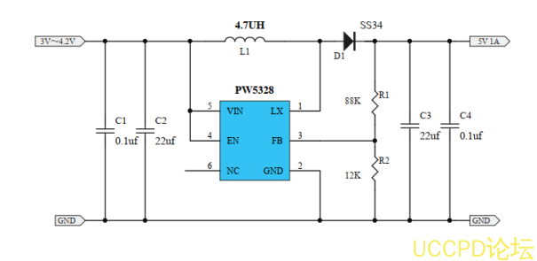
2V陞3V芯片,輸入2V輸齣3V可達1A
詳情
PW5328B是一箇恆定頻率, 6引腳 SOT23電流模式陞壓轉換器,用於小型低功耗應用。 PW5328B的開關頻率爲 1.2MHz,允許使用微小的、低成本的電容器和電感器。內部軟啟動導緻小湧流和延長電池壽命。
PW5328B 輸入電壓2V-24V ,可以滿足2V 陞3V 輸齣1A的設計要求。
PW5100 是輸入電壓0.7V-5V ,可以滿足2V 陞3V 輸齣0.5A 的設計要求。外圍最少,功耗最低10uA
PW5200A 是輸入電壓1V-4.4V ,可以滿足2V 陞3V 輸齣0.5A的設計要求。
代理商:深圳市誇剋微科技
鄭生: 13528458039
QQ : 2867714804
