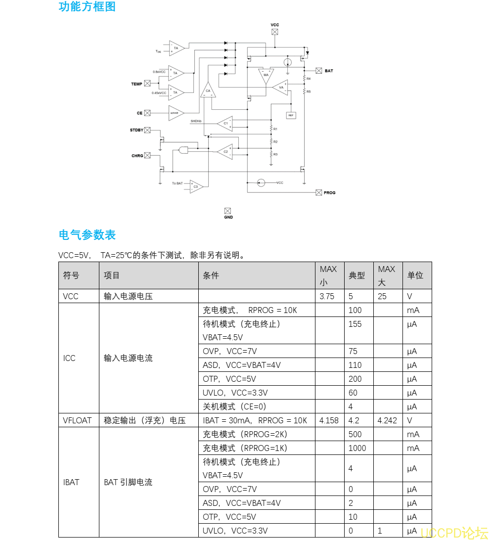
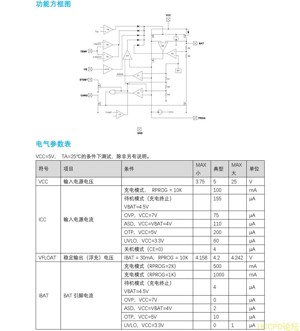
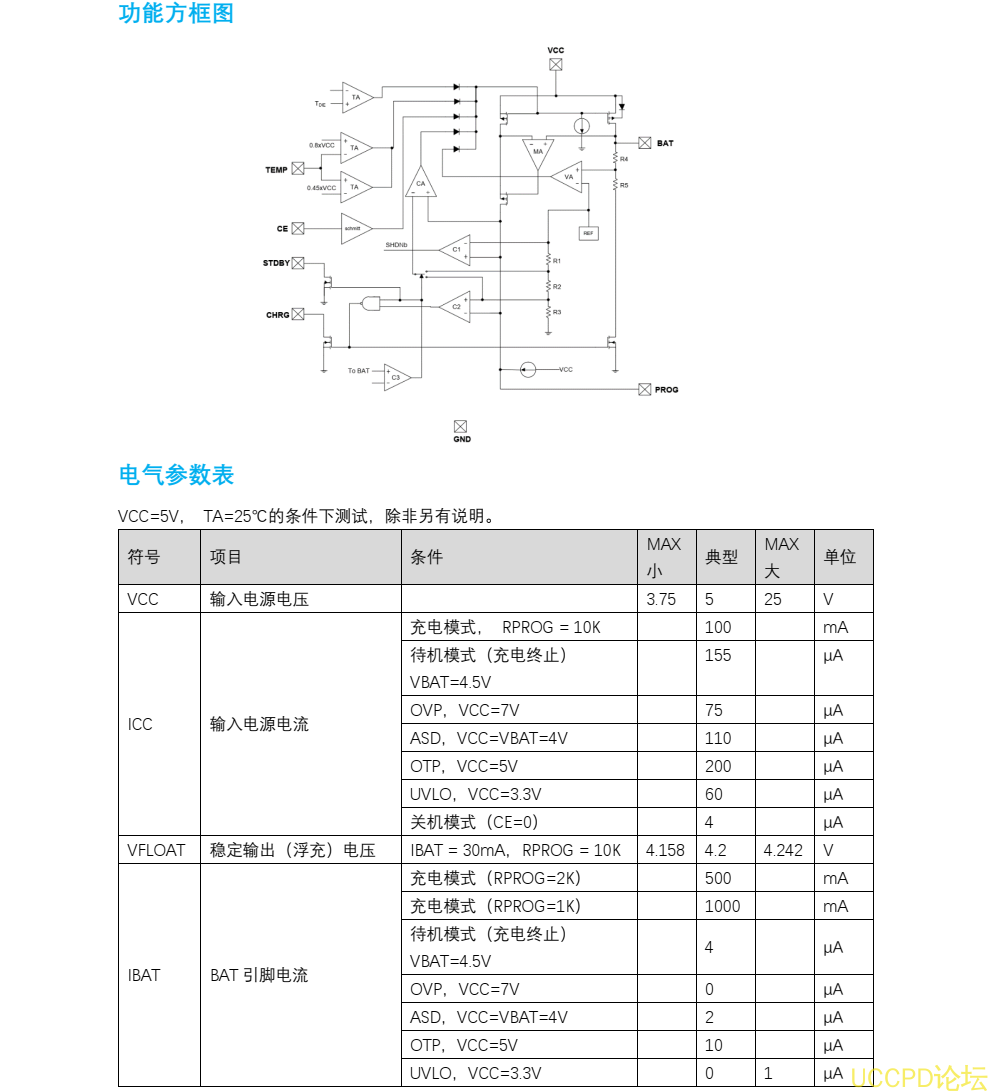
平芯微PW4056HH中文規格書
- 2024-04-16 17:53:00
- 技術管理員 原創
- 972
(百度翻譯)
發錶評論











