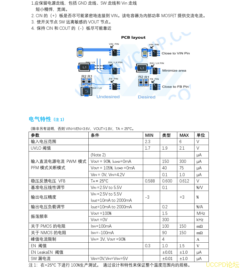
詳情
平芯微PW2052B中文規格書
admin
2024-04-16 15:33:00
摘要
: 平芯微PW2052B中文規格書
(百度翻譯)
上一篇
下一篇
評論列錶
1
/
0
© 深圳市誇剋微科技有限公司
SQL查詢:
24
次內存占用:
11.00MB
PHP 執行時間:
0.11
秒
粵ICP備20065032號-3
蟬知
7.7